Π323
kétsugarasító
(elektronkapcsoló N313 oszcilloszkóphoz)
|
Mikor végre úgy áll a helyzet, hogy már rámondhatom, hogy szépen alakul, olyankor - a kialakulni látszó rendet azonnal lerombolandó - mindig odateszek valamit a pultra. A ma bemutatásra kerülő szovjet elektronkapcsoló még csak hagyján, mert azt ugye akár a székemből fel sem állva is képes vagyok letudni, azonban a háttérben a csiszolómalom 1.0 alkatrészeinek valahogy eszük ágában sincs összeállniuk! Teszik ezt ráadásul már hónapok óta. Illetve éppen, hogy nem teszik... |
|
Hogy
nehogy még ezzel az egészen aprósággal is úgy járjak, mint a körülöttem heverő
számtalan többivel, a beszerzése után mindössze néhány nap kellett hozzá, hogy
nekiálljak szétszedni. Ez már csak azért sem lesz bonyolult feladat, mert
tulajdonképpen nem igazán van rajta mit, inkább csak körbefényképezem. Mármint
azért, mert az N313-as oszcilloszkópról szóló cikk kapcsán sikerült
megemlítenem, s mint az kiderült, egy kiváló barátomnak van. Vagyis elkértem
tőle, de csak egy óvatos megtekintés erejéig. |
|
Az elektronkapcsoló (kétsugarasító) működése szerint kettőt varázsol az eredetileg csak egy "Y" bemenetből. Míg a felső két potméterrel az érzékenységet lehet beállítani (ami amúgy jelen esetben a megjelenített jel nagyságát jelenti), addig az alsó kettővel a jelek pozíciója tolható el, hogy ne egymáson lássuk őket, hanem fel és le irányban egymástól egy kissé eltolva. |
|
A
két hátlapi csatlakozó elsőre ugyan meglepett, de viszonylag gyorsan sikerült
rájönnöm a funkciójukra. Mármint arra, hogy ezeknél fogva kell a kétsugarasítót
rátolni az N313-as oszcilloszkóp két előlapi csatlakozójára. |
|
Az elektronkapcsolót az oszcilloszkóphoz (a hátlapi csatlakozókon felül) ezzel a tuchel dugóval is csatlakoztatni kell. Mármint ezen keresztül kapja meg az előtét a tápfeszültséget. |
|
Maga a doboz - a kor szokásának megfelelően - úgymond szemöldökös, mely megoldás eredetileg (tudtommal legalábbis) arra szolgált, hogy a műszer esetleges falra (vagy bármi másra) történő teljes rátolásakor megvédje az előlapon található, abból kilógó mindenféléket. Idővel persze, mint ahogy megannyi más, eredetileg valamiféle értelmes funkciót betöltő megoldás, úgy ez is csak puszta dísszé fajult. |
|
Mármint az a kis szemöldök, az ugyan semmit sem véd az előlapból kilógó dolgokon, épp mint ahogy a mindkét oldalon alkalmazott csavarplomba sem tántorította el a tulajdonost a dobozka kinyitásától. |
Mármint ebből a plombából jutott a doboz
mindkét oldalára, pedig amúgy
egy is elég lenne hozzá, hogy jelezze a doboz illetéktelen kinyitását.
Gumilábai a doboznak azért nincsenek, mert ez a
kiegészítő nem
a fenekén ül, hanem az N313-as oszcilloszkóp elejéből lóg ki.
Bár képet is találtam róla, amint épp fel van
dugva az oszcilloszkópra, de amúgy
magam is rájöttem a használat módjára, ezek ugyanis apacsatlakozók.
Íme az 1981 óta belülről valószínűleg még soha
meg nem
tekintett
tuchel dugó, a szovjet mintára lemezből hajtogatott lábaival.
|
Bár néha a kapitalizmus sem különb, de attól még valaha úgy volt, hogy egy a szocialista táborban készült szerkezet beltartalmáról az ember sohasem tudhatta, hogy az mégis milyen készültségi szinten áll. Jelen esetben a tuchel csatlakozóban a bekötött vezetékeket tehermentesítő műszaki részlet sosem volt a helyére sajtolva. Mármint a tehermentesítő szárait nem én egyenesítettem ki. |
|
Mégis
mi a csuda bajuk lehetett az elvtársaknak a szép (vagy akár csúnya) színes
vezetékkel, hogy ennyire ragaszkodtak az egyszínűekhez? Pláne még egy műszerben
is, amiben ugye nagyon nem mindegy, hogy mi hova van bekötve. No nem mintha a
többi elektronikában mindegy lenne... |
|
Íme jelek közötti átkapcsolás ütemét szolgáltató K133TB1-es IC, amiben az a fura, hogy aranyozott lábú, úgymond katonai kivitel. Az alóla jobbra kilógó barna textilbakelit lapocska mind szigetelésül, mint távtartóul szolgál. |

|
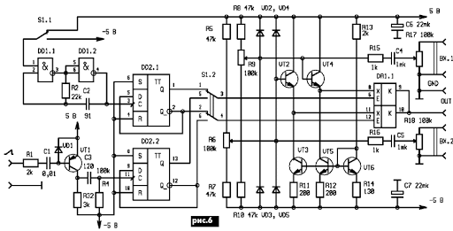
Egy újabb furcsaság, hogy bár az oroszoknál (megjegyzem üdvözlendő módon) szinte minden elektronika rajza megtalálható, ez erről az apró kiegészítőről nem mondható el, mert ezt mindenki inkább csak keresi. Ez a rajz amúgy már csak azért sem tartozhat a dobozhoz, mert kapcsolók is láthatók rajta, miközben a műszer dobozán egyetlen kapcsoló sincs. |
Ha ez egy nyíl, akkor azért fura, ha egy dióda jele, akkor meg azért.
Az a kötőelem ott balra, az nagyon ott van!
Illetve éppen,
hogy nincs. Mármint meghúzva az egyik csavarja.
|
A
műszer mechanikai felépítése annyira agyament, mint mondjuk a szerző által
épített wobleré. Mármint azt a
műszert legalább annyira nem lehet szétszedni, mint amennyire ezt,
csak ugye míg én amatőr vagyok (juj, de még mennyire...), addig ez a műszer
gyárban készült, mérnök, de inkább mérnökök által megtervezve. Szóval a képen
látható javíthatatlanságra nem igazán van mentség. |
Mármint a panel alá oldalról benézve, az alkatrészkészletből csak ennyi látható.
A másik oldalról benézve pedig ennyi.
|
Kezdetben úgy voltam vele, hogy az elgörbített hátlapra még az igen komoly rutinommal sem tudok magyarázatot adni, de aztán rájöttem, hogy ez azért lett ilyen, mert görbítéssel lett hozzáigazítva az ellenpárjához. Mármint az N313-as oszcilloszkóp előlapi, amúgy semmi mással nem kompatibilis csatlakozóaljzataihoz. Mondjuk az is lehet, hogy a hátlap a két műszer széthúzásakor görbült el, de számomra valahogy ez a legvalószínűtlenebb megfejtés. |
|
Mikor
legközelebb arra járok, visszakerül a hozzá tartozó oszcilloszkóp mellé, viszont
ha van, akkor a kapcsolási rajzát meg elhozom, és persze be is szkennelem, hogy
ezentúl az is megtalálható legyen az interneten. |
|
Mármint azért, mert energiatakarékos E14-es izzókból akad egy egész fiókra való, miközben a helyettük vásárol LED-es körtékből idén még egyetlen darab sem égett ki. Ez a lámpa átalakítós projekt, na ez sem mostanában lesz kész... |
Utóirat:
Aki úgy érzi, hogy fel van iratkozva a
hírlevélre, de nem kapja, az nézze meg
a
Gmail (esetleg Freemail) fiókját webfelület alól. Ott leszek a spam mappában.